Advanced Technology; Reliable Quality; Affordable Cost Authorized Online Distributor of Leadshine Technology, Inc.
AMT
Registration | Login | My Account
  
Shopping Cart (0)
 
Skip Navigation Links
Products
Motor & Drive Sets
CNC Kits
Sales
Support
Company
Contact
Integrated Servos / Steppers
Stepper Motors
Stepper Drives
Multi-Axis Stepper Drives
Advanced Digital Stepper Drives
Digital Stepper Drives
Classic Stepper Drives
Stepper Drives with Oscillators
Stepper Drive Modules
Budge Stepper Drives
Easy Servo Products
Brushless Servo Products
Brush Servo Products
Power Supplies
Accesssories

Leadshine M415B 2-Phase Stepper Drive with 18-40 VDC Voltage & 0.21-1.5A Current

M415B : Leadshine M415B 2-Phase Stepper Drive with 18-40 VDC Voltage & 0.21-1.5A Current
by Leadshine Technology, Inc. (write an review)
M415B
Features
  • Heatsink integrated and connectors included
  • Input: 18-40VDC
  • Output: 0.21-1.5A
  • Microstepping options: 1, 1/2, 1/4, 1/8, 1/16, 1/32, 1/64
  • DIP switch current options: 0.21A, 0.42A, 0.63A, 0.84A, 1.05A, 1.26A, 1.50A
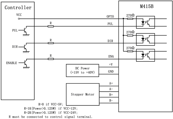
  • Support: PULSE/DIRECTION mode
  • High performance, low cost
  • Inaudible 20kHz chopping frequency
  • TTL compatible and optically isolated input signals
  • Automatic idle-current reduction
  • Mixed-decay current control for less motor heating
  • 7 selectable resolutions up to 12,800 steps/rev
  • Suitable for 2-phase and 4-phase stepper motors
  • Reverse polarity protection
  • Compact size
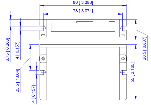
  • Dimensions: 3.39 X 2.17 X 0.78 inches; 5.3 oz
  • CE certified
Buy Online
Usually shipped in 1-2 days from USA
Regular Price: $65.00  
  Online Prices: $57.00 Qty  1 - 4
  $54.00 Qty  5 - 9
  You save 12.31%
  Contact us for qty 10 & up
  Stock: In stock
Qty:  
OverviewSpecificationMechanicalConnectionDownload
Overview
Leadshine M415B is a high performance 2-phase stepper drive based on advanced pure sinusoidal current control technology. It takes step & direction or CW/CCW control commands, and is very simple to implement in OEM applications.

M415B stepper features anti-resonance which significantly reduces low-middle speed movement vibration/instability and motor noise. Because of the implementation of 3-state current control (On, Off, and Circulation), drive and motor heating are significantly lower than similar stepper drives on the markets. With supply voltage of 18 - 40 VDC and output current of 0.21 - 1.50 A, M415B can drive a wide range of 2-phase stepper motors with high precision at extra smoothness, quietness, and low motor heating.

A M415B stepper drive is easy to setup and configure via DIP switches. There are 7 resolution settings from 200 - 12800, and 7 output current settings from 0.21 - 1.50. Also, a user can simply set the idle current to full (100%) or 50% of the output current via a DIP switch.

Matching Stepper Motorshybrid stepping motor

AMT offers matching stepper motors for M415B to satisfy your application needs. Made of high quality materials, those stepper motors can run very qietly and smoothly with low noise, low motor heating. They have been widely implemented in various industrial applications.

To see all stepper motors that AMT offers, please click here.

  Model / Description Spec. 1 Pc. / 5 Pc. Price Purchase
HS1704 HS1704: AMT HS1704 NEMA 17 2-Phase 57 oz-in High Torque Stepper Motor with 0.197'' Single Shaft $15.00 / $14.00 Order Quantity:    
HS1705 HS1705: AMT HS1705 NEMA 17 2-Phase 74 oz-in High Torque Stepper Motor with 0.197'' Single Shaft $16.00 / $15.00 Order Quantity:    
Enter the quantity you want to order for each item in the above table and press the "Add to Cart" button next.

Matching Power Suppliesstepper servo power supply

AMT offers matching power supplies for M415B. Those power supplies were specially designed to handle back EMF from stepper or servo motors in motion controls.

To see all power supplies that AMT offers, please click here.

  Model / Description Spec. 1 Pc. / 5 Pc. Price Purchase
RPS2410 RPS2410: Leadshine RPS2410 24 VDC / 10A Regulated Switching Power Supply 85-132 or 176-265 VAC Input $59.00 / $56.00 Order Quantity:    
Enter the quantity you want to order for each item in the above table and press the "Add to Cart" button next.
Similar Products
       
American Motion Technology, LLC.   © Copyright 2026. All rights reserved
Skip Navigation Links
Terms of Use